產品特點Product Features
No.1
硬件按需定制:內裝元件品牌為施耐德、正泰、德力西、ABB、天正、西門子、上海人民、中國人民、常熟等一線品牌,可根據用戶要求定制,也可增加配置,例如可加裝電涌保護器、電流表、電壓表、互感器等。
No.2
系統安全穩定:專業電子工程師設計電路,具有過載、短路保護功能,可根據用戶要求加裝帶漏電保護功能產品;
No.3
采用質優板材:殼體采用鋁合金壓鑄或優質碳鋼板(不銹鋼)焊接成型,外殼結構緊湊合理、材質密度高、防爆性能優良,牢固可靠,抗震、剛沖擊。
No.4
防腐性能:殼體表面采用高壓靜電噴塑處理,螺絲緊固件采用不銹鋼材質,配合高精度加工工藝,具有高防腐、高防銹、高防水等特點,也可根據客戶需求采用不銹鋼材質制作,來滿足在各類強酸、強堿、防護要求較高的惡劣環境中長期正常工作。
No.5
防爆結構:本司承諾所有防爆產品均嚴格按照國家防爆標準系列文件設計,完全達到國家防爆標準等級和設計要求,并取得相關國家防爆證書及檢測報告,證書齊全,安全可靠,品質優良。
No.6
安裝方式:鋼管,防爆撓性管、防爆電纜,布線簡單,安裝方便。
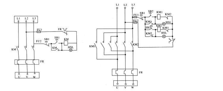
1、外殼采用LZ102鑄鋁合金壓鑄成型,表面高壓靜電噴塑;
2、內裝交流接觸器,熱繼電器、自復位轉化開關,帶總開關時還裝有高分斷小型斷路器;
3、可控制交流50Hz、380V三相異步電動機的直接起動停止,并具有過載和斷相及失壓保護;
4、可帶遠控;
5、鋼管或電纜布線均可;
6、電流63A。
型號規格含義Model specification meaning

規格參數Product parameters
型號(A) | 額定電流(V) | 額定電壓 | 熱纜電器整定電流調節范圍(A) | 控制電動機功率(KW) | 防爆標志 | 防爆等級 | 防腐等級 |
BQD-12(16) | 12(16) | 220V 380V | 0.25~0.35 0.32~0.50 0.45~0.72 0.68~1.10 1.0~1.6 1.5~2.4 2.2~3.5 3.2~5.0 4.5~7.2 6.8~1.1 10~16,15~24 22~33,30~45 50~63,56~85 85~125 | 4 | Exde IIB T6 Gb ExtD A21 IP65 T80℃ | IP54, IP65* | WF1 WF2* |
BQD-25(32) | 25(32) | 8 |
BQD-40(50) | 40(50) | 18 |
BQD-63 | 63 | 28 |
BQD-95 | 95 | 45 |
BQD-12N(16N) | 12(16) | 4 |
BQD-25N(32N) | 25(32) | 8 |
電氣原理圖Electrical schematic

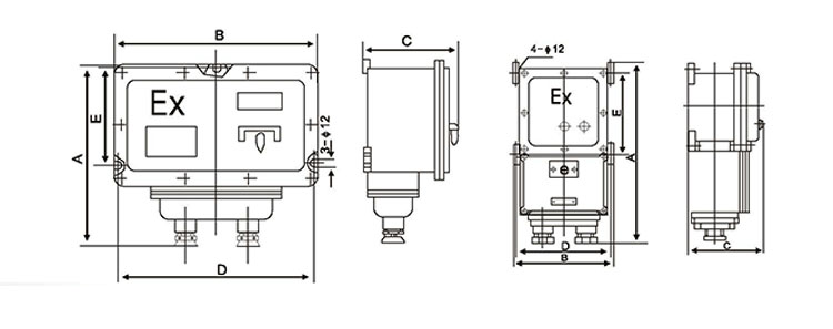
尺寸規格Dimensions

資質認證Qualification
